解决方案
针对行业应用,提供一站式解决方案
查看详情
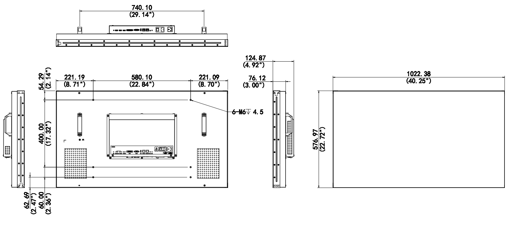
MW5246-HP3-D
46寸3.5mm拼缝高亮LCD拼接显示单元【注意】交期久,请提前与市场计划沟通
采用工业级面板,高可靠性一体化设计
内置图像拼接显示功能
支持独特的拼缝补偿功能
支持屏幕防灼,图像翻转
支持白平衡调整
支持红外控制和RS232环接控制
支持面板工作时长记录及显示
支持快速设置拼接单元ID,现场调试更方便
支持倍帧功能
支持通电后延时启动功能
板卡自带自定义按键,可自定义为测试图/老化等功能
具备两个HDMI输入口和一个HDMI环出口,支持视频信号环出显示
支持电源环出
